
閥門知識
閥門首頁 > 閥門知識 > 
通過下面不同的接線圖:
1、有源開關式,普通開關型帶有源燈指示接線圖
2、無源開關式,開關型無源觸點型帶反饋接線圖
3、開度式電位計型,開關型帶開度式接線圖
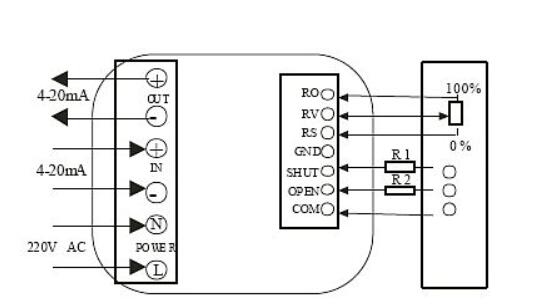
4、智能調節式,輸入輸出4-20mA,智能調節型接線圖
5、交流AC380V,帶無源觸點反饋,380V電源接線圖


接線方式:三線制電動閥有F/R/N三條線,F代表正向動作(或者open動作)控制線,R代表反向動作(或者close動作)控制線,N代表地線。
特點:
結構十分簡單,使用壽命。2.適用于幾乎所有介質,粘度最大600mm2/s(厘斯)。3.耐高溫、耐化學腐蝕。4.防爆費用低,
接線就明:
白線:電源共用端
紅線:電動閥開電源
藍線:電動閥關電源
綠線:信號反饋共用端
黃線:閥門關時輸出信號電源(220V)
黑線:閥門開時輸出信號電源(220V)
(黃與黑線根據需要選擇,簡單反饋只需接其中上根就好了)

如果是AC220V電源的,應該是7根線。1根公共線,1根開線,1根閉線,2根控制線,2根反饋線。如果是DC24V電源的,就是6根線。2根電源線,2根控制線,2根反饋線。
上一篇:熱水管道應該用什么閥門比較好 / 下一篇:電動閥門的維護和保養要求有哪些